Calculadora Aye t-xilen Oktzil
mam

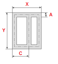
Ajlab´il kye t-xmilal t-xe t-xaq


escala te dibujo 1:

Q´manxa t-xilen t-simyentil









B´a´n tu´n t-xi tq´ama´na t-xilen toj milímetros

ja n-qo okx b´aje X
Tnuq Y
Twe H
t-xew A
Jni twe C

Armatura

t-xaq t-xaq G
Barras verticales V
Barlas de conexión Z
Iky´tz S
Diámetro te refuerzo D

Encofrado

t-xew tabla te encofrado T
t-xilen t-xaq u´j L
t-xilen t-xaq E

t-xilen hormigón

t-xilen jun t-xaq K
Bolsas te 1 metro cúbico te hormigón F

Proporciones te hormigón tu´n t-xilen
cemento : tz´awin q´uq´ : ab´j b´aj t-xupin

: :

Qʼamanxa jniʼ twiʼ qe tiʼchaq in che ajbʼen tuʼn tjaw bʼinchet ja

cemento (junjun t-xaq) M
tz´awin q´uq´ (te 1 tonelada) P
ab´j b´aj t-xupin (te 1 tonelada) B
Mujb´el (te 1 metro cúbico) W
Armatura (te 1 tonelada) N






b´ilte ti´j



B´a´n tu´n t-xi tq´ama´na tajlal il ti´j toj milímetros

tajlal te t-xe t-xaq
X - t-xilen t-simyentil
Y - t-xilen t-simyentil
A - t-xew t-xe t-xaq
H - t-xe t-simyentil
C - t-xilen t-xe t-xaq saltador

b´ilte ti´j
A - t-xew t-xe t-xaq
H - t-xe t-simyentil
S - t-xaq kyxol tmojb´ab´il
G - t-xaq t-xaq
V - Barras verticales
Z - Barlas de conexión

A tajlal cemento il ti´j tu´n t-xi b´inchet jun metro cúbico te hormigón junxitl toj junjun t-xilen.

A jlu n-ok twitz ti´j t-xilen cemento, ti´j t-xilen hormigón n-b´ant, t-xilen ex t-xilen t-xilen t-xilen.
N-chi yek´un toj ky-bols.

Mya il ti´j tu´n t-xi qma´n juntl majl titzen nim toklen aj t-xi b´inchet jun ja tun t-xi q´et tajlal jte´ ti´chaq n-ku b´inchet tun t-xi b´inchet t-xe ja.
Tb´ajlenxi´tzun, aju´ twi´ jun t-simyentil monolítico n-pon toj jun toxin t-xilen twi´ ja.

A aq´untl lu k-xel t-ximan tun t-xi b´inchen ex tun t-xi b´inchet tajlal t-xe jun ja. K-onil ti´ja tu´n t-xi t-ximana jte´ hormigón, refuerzo, ex tablas de encofrado tu´n t-xi q´et jun cimiento de tira.

ti n-ku tz´el tniky´a ti´j:

Ja te t-xe t-xaq (jun techel, tun t-xi qna´n jte´ t-xilen a´ t-xilen tun t-xi q´et jun t-xilen t-xilen)
A tajlal hormigón te t-xe´ ex te t-xaq tx´otx´ extzen tun t-xi´ q´et twitz tx´otx´ te t-xe´ (k-xel tzalaj aj, tu´n jun nya b´a´n toj multiplicación, mya b´a´n t-xilen)
Refuerzo - tajlal refuerzo, aju tajlal t-xilen t-xilen t-xilen t-xilen ex t-xilen
A t-xilen a encofrado extzen a tajlal tze´ toj metros cúbicos extzen t-xaq
T-xilen tkyaqil twitz tx´otx´ (tun t-xi b´inchet tajlal te impermeabilización te t-xe t-xaq) ex qe t-xaq ex t-xe
N-ok q´o´n t-xilen twi´ t-xilen t-xe t-xaq ja.

Ax ikx kbʼel tbʼinchaʼn programa jun tilbʼilal tiʼj t-xeʼ.
N-chin ayone ti´j qa aju´ aq´untl lu k-xel b´inchen kye aye n-chi b´inchan t-simyentil tuk´e ky-q´ob´ extzen kye aye at kyojtzqib´il ti´j b´inchb´il ja.

t-xilen hormigón

A tajlal ex tajlal cemento, arena ex ab´j t-xaq tun t-xi b´inchet hormigón n-chi tzaj q´o´n te jun yek´b´il, tza´n n-chi kyq´ama´n aye b´inchal cemento.
Ax ikx in bʼaj jlu tiʼj twiʼ cemento, arena ex abʼj bʼaj t-xiten.

Noqtzun tu´nj, aju t-xilen aju hormigón b´aj b´incha´n, nim toklen ti´j tajlal ab´j moqa grava, ti´j t-xilen cemento, ti´j t-xilen ex ti´j t-xilen t-xilen.

B´a´n tu´n tok tq´o´n twitza ti´j qa aju twi´ arena ex ab´j t-xupin n-chi kub´ q´o´n toj programa te 1 tonelada.

A t-xilen t-xilen arena n-ok t-xilen ti´j t-xe´l.
1 metro cúbico te arena 1200-1700 kg t-xilen, toj tmij - 1500 kg.

tuk´e t-xaq t-xaq extzen tuk´e ab´j t-xaq mas kwest. Ik tza´n n-chi kyq´ama´n junjun tqanil, a t-xilen jun metro cúbico n-xi´ 1200 a 2500 kg, noq ti´j t-xilen. Mas q´i´n - mas ch´in.

Kyja´tzun, il ti´j tu´n t-xi t-ximana juntl majl twi´ junjun tonelada arena ex ab´j t-xaq tjunalx moqa tu´n t-xi tqanina kye k´ayil.

Noqtzun tu´nj, aju´ tajlal n-ku tz´onin ti´ja tun t-xi t-ximana jte´ twi´ t-xilen aye ti´xti´ te b´inchb´il ja tun t-xi q´et t-xe´. Mi´n tz´el naj ti´j tk´u´ja aju´ alambre te t-xmoxin aju´ refuerzo, qe clavos moqa qe tornillos te encofrado, aju´ t-xi´ q´et aju´ materiales te b´inchb´il ja, aju´ chojb´il te aq´untl te b´inchb´il ex te b´inchb´il ja.

zhitov Author of the project: Dmitry Zhitov
fb vk

© 2007 - 2024
A aplicación mas b´a´n tun t-xi b´inchet aq´untl tuk´e
Google Play
Tkawb´il ti´j t-xilen t-xmilal
Na´mx t-xi t-k´amo jun tajlal t-xilen.
Tzaj ttz´ib´in tib´a moqa tz´okxa tun t-xi t-xq´uqina t-xnaq´tzb´ila ex t-xi t-sama´na toj correo.
русский afrikaans العربية беларуская български català česky cymraeg dansk deutsch ελληνική english español eesti euskal فارسی suomi français gaeilge galego עברית hrvatski magyar indonesia íslenska italiano 日本語 한국어 lietuvių latviešu македонски melayu malti nederlands norsk polski português brasileiro română slovenčina slovenščina shqipe српски svenska kiswahili าษาไทย filipino türkçe українська việt ייִדיש 简体 繁體 հայերեն azərbaycan საქართველოს kreyòl ayisyen বাঙ্গালী hmoob latin esperanto हिन्दी తెలుగు ગુજરાતી ಕನ್ನಡ தமிழ் اردو қазақ монгол тоҷик o'zbek bosanski ລາວ नेपाली සිංහල ị̀gbò èdè yorùbá malagasy ဗမာစာ ខ្មែរ ਪੰਜਾਬੀ मराठी മലയാളം sugboanon sunda isizulu jawa chicheŵa hausa maya yucateco кыргыз አማርኛ kurmancî lëtzebuergesch پښتو सिन्धी samoa gàidhlig isixhosa chishona frysk af-soomaali sotho corsu hawaiʻi māori ଓଡ଼ିଆ kinyarwanda türkmen ئۇيغۇرچە татар aymara অসমিয়া بامبارا भोजपुरी oluganda ava-ñe’ẽ डोगरी ilokano qhichwa कोंकणी krio سۆرانی lingála मैथिली މޯލްޑިވިއަން އެވެ ꯃꯤꯇꯩꯂꯣꯟ mizo ṭawng afaan oromoo संस्कृत- sesotho sa leboa ትግርኛ xitsonga twi ɛ̀ʋɛ̀gbè basa jawa аԥсуа अवधी авар dho-alur qafar aceh acholi basa bali baule башҡорт بلوچی chibemba betawi bikol brezhoneg буряад waray tshivenda wolof دری རྫོང་ཁ་ thuɔŋjäŋ chidombe julakan iban 粵語 kànùrí kapampangan karo kiga kikongo kituba kokborok коми qırımtatar khasi latgaļu liguru limburgs lombard марий dholuo kreol morisien madhurâ mangkasaraʼ بهاس جاوي mam मारवाड़ी majõl minangkabau gaelg chindawu isindebele नेवा ߒߞߏ naadh occitan ӕвзаг pangasinan پنجابی papiamento português kirundi sängɔ ᱥᱟᱱᱛᱟᱞᱤ diidxazá siswati davvisámegiella seselwa ślōnskŏ simalungun sicilianu sosoxui tahiti tamazight ⵜⵉⴼⵉⵏⴰⵖ tetum བོད་སྐད་ tiv batak toba tok pisin tonga setswana тыва ತುಳು tumbuka nawatlajtoli удмурт føroyskt vakaviti fɔ̀ngbè furlan fula ilonggo hunsrückisch kachin romaňí chamoru нохчийн laiholh чӑвашла chuuk လိၵ်ႈတႆး саха patwa vèneta kalaallisut qʼeqchiʼ