Калькулятор Дæ нымадтæ Æрбахизæн
ӕвзаг

Хъæдæрмæджы бæрц нымайын

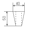
Дæ хорзæхæй, нысан кæн габариттæ миллиметртæй

Фæтæн W
Бæзн H
Дæргъ L
Равзарут равзæрæн бæрæггæнæнтæ нымадæн



1 кубикон метры аргъ



Хъæдæрмæджы нымад


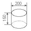
Дæ хорзæхæй, нысан кæн габариттæ миллиметртæй

W - Фæйнæджы уæрх
H - Фæйнæджы стæвд
L - Фæйнæджы дæргъ

Райдиан бæрæггæнæнтæ
N - Бæрц скъуыддзæгтæй
E - Бæрц кубикон метрты
Бирæтæ хæдзар кæнæ ваннæ аразыны рæстæджы бахъæуы банымайын, цас хъæдæрмæг хъæуы уыцы куыстæн. Æнцон у сбæрæг кæнын, цал фæйнæджы кæнæ хъæды хъæуы, уый. Фæлæ хъæдæрмæджы аргъ фылдæр хатт амонынц иу кубометрыл, æмæ уыцы цауы æнцондæр уыдзæн нымайæн сæрмагонд программæйæ пайда кæнын. Нæ сайтæй пайда кæнгæйæ, фæйнæджы дæргъ, уæрх æмæ стæвд, стæй сæ нымæц скъуыддзæгтæй зонгæйæ, уæ бон у банымайын, цал кубикон метры хъæдæрмæг хъæудзæн æмæ цас хъæудзæн иу кубикон метр кæнæ иу фæйнæг.

Куырдиаты æмвæзад

Хъæд афтæ хуыйны, уымæн æмæ йæ райсынц бæласы стæг лыг кæнгæйæ. Хъæдæрмæгæй пайда кæнынц арæзтадæн, дзаумæттæ аразынæн, алыхуызон мигæнæнтæ æмæ æндæр продукттæ аразынæн. Абон арæзтадон æрмæджыты ацы хуыз у иууыл популярондæр. Хъæд цы хъæдæрмæгæй арæзт цæуы, уый у иттæг хорз хъармдæттæг æрмæг, хъахъхъæны фидар уымæлдзинад æмæ нæ домы сæрмагонд куыст кæнæ æххуыс, уый йæ кæны уæлдай æнцонвадат.

Хъæдæрмæджы хуызтæ

Хъæдæрмæгмæ хауынц хъæд, æнæфæткъуыйау фæйнæгтæ, æнæкæрон фæйнæгтæ æмæ арæзтадон æмбæрзæнтæ. Бæрзæнд у алы рæттæй æфснайд хъæд. Куы йæ ныккæнынц, уæд ын вæййы цыппæрдигъон кæнæ расткъуымон æрзæткъахæн. Хъæдæрмæгæй фылдæр пайда кæнынц хæдзæрттæ, ваннæтæ æмæ пъолты конструкцитæ аразынæн.
Кæронбæттæн фæйнæг у универсалон хъæд, кæцыйæ активонæй пайда кæнынц куыд бæстыхайы æддейæ арæзтады, афтæ мидæггаг фæзуаты проекты дæр. Кæронбæттæн фæйнæджы æрзæткъахæн у дæргъвæтин расткъуымон. Æнæкæрон фæйнæг кæронджын фæйнæгæй уымæй хицæн кæны, æмæ йæ кæрæттæ нæ лыг кæнынц, афтæмæй, фæйнæг цы бæласæй лыггонд æрцыд, уый цъары фæлтæр зынгæ баззайы. Арæзтадон æмбæрзæн кæнæ æмбæрзæн у ахæм æмбæрзæн, кæцыйы æхсæн æмвæзад у хуымæтæг æмбæрзæнæй къаддæр æмæ дзы парахатæй пайда кæнынц арæзтады.
Хъæд æндæр æмæ æндæр у, цавæр хъæдæй конд у, уымæ гæсгæ. Арæзт вæййынц хъæдурбæлæстæй, зæгъæм, нæзы, хъæдур æмæ хъæдур.
Хъæдæрмæг дихгонд цæуы уымæлдзинады æвæрдмæ гæсгæ дæр. Уыдон дихгонд цæуынц хомыл, кæцыты уымæлдзинад у 22 процентæй фылдæр, æмæ хустыл, кæцыты уымæлдзинад у 22 процентæй къаддæр. Фыццагтæй пайда кæнынц арæзтадон куыстытæн, фæстæгтæй та дзаумæттæ аразынæн.
Ис дзы хъæдæрмæджы цалдæр хуызы дæр. Сорт равзарын аразгæ у куысты æмвæзадæй. Афтæмæй дзаумæттæ аразынæн пайда кæнынц хæрзхъæддæр æрмæджытæй. Хъæддæсныйæн æмæ æмбæрзæнтæн æмбæлы 1-аг къласы хъæд, 2-аг æмæ 3-аг кълæсты та пайда кæнынц æрмæстдæр арæзтадон фæйнæгæй.

Æвæрыны тыххæй уынаффæтæ

Хъæдæрмæг, кæд дзы бирæ рæстæг нæ пайда кæнынц, уæд хъуамæ хъахъхъæд уа уымæлæй. Уый гæнæн ис æмæ расайа сæ зианмæ. Хъæдæрмæг кæрæдзийыл æвæрын нæ хъæуы. Æмбæрзæнты кæнæ фæйнæгты æхсæн хъуамæ уа æхсæнвæндæгтæ.

zhitov Author of the project: Dmitry Zhitov
fb vk

© 2007 - 2024
Приложениимæ кусын æнцондæр у
Google Play
Конфиденциалондзинады политикæ
Дæуæн нырма хъахъхъæд нымад нæй.
Регистраци кæнæ бацæут, цæмæй уæ бон уа уæ нымадтæ хъахъхъæнын æмæ сæ почтæйæ æрвитын.
русский afrikaans العربية беларуская български català česky cymraeg dansk deutsch ελληνική english español eesti euskal فارسی suomi français gaeilge galego עברית hrvatski magyar indonesia íslenska italiano 日本語 한국어 lietuvių latviešu македонски melayu malti nederlands norsk polski português brasileiro română slovenčina slovenščina shqipe српски svenska kiswahili าษาไทย filipino türkçe українська việt ייִדיש 简体 繁體 հայերեն azərbaycan საქართველოს kreyòl ayisyen বাঙ্গালী hmoob latin esperanto हिन्दी తెలుగు ગુજરાતી ಕನ್ನಡ தமிழ் اردو қазақ монгол тоҷик o'zbek bosanski ລາວ नेपाली සිංහල ị̀gbò èdè yorùbá malagasy ဗမာစာ ខ្មែរ ਪੰਜਾਬੀ मराठी മലയാളം sugboanon sunda isizulu jawa chicheŵa hausa maya yucateco кыргыз አማርኛ kurmancî lëtzebuergesch پښتو सिन्धी samoa gàidhlig isixhosa chishona frysk af-soomaali sotho corsu hawaiʻi māori ଓଡ଼ିଆ kinyarwanda türkmen ئۇيغۇرچە татар aymara অসমিয়া بامبارا भोजपुरी oluganda ava-ñe’ẽ डोगरी ilokano qhichwa कोंकणी krio سۆرانی lingála मैथिली މޯލްޑިވިއަން އެވެ ꯃꯤꯇꯩꯂꯣꯟ mizo ṭawng afaan oromoo संस्कृत- sesotho sa leboa ትግርኛ xitsonga twi ɛ̀ʋɛ̀gbè basa jawa аԥсуа अवधी авар dho-alur qafar aceh acholi basa bali baule башҡорт بلوچی chibemba betawi bikol brezhoneg буряад waray tshivenda wolof دری རྫོང་ཁ་ thuɔŋjäŋ chidombe julakan iban 粵語 kànùrí kapampangan karo kiga kikongo kituba kokborok коми qırımtatar khasi latgaļu liguru limburgs lombard марий dholuo kreol morisien madhurâ mangkasaraʼ بهاس جاوي mam मारवाड़ी majõl minangkabau gaelg chindawu isindebele नेवा ߒߞߏ naadh occitan ӕвзаг pangasinan پنجابی papiamento português kirundi sängɔ ᱥᱟᱱᱛᱟᱞᱤ diidxazá siswati davvisámegiella seselwa ślōnskŏ simalungun sicilianu sosoxui tahiti tamazight ⵜⵉⴼⵉⵏⴰⵖ tetum བོད་སྐད་ tiv batak toba tok pisin tonga setswana тыва ತುಳು tumbuka nawatlajtoli удмурт føroyskt vakaviti fɔ̀ngbè furlan fula ilonggo hunsrückisch kachin romaňí chamoru нохчийн laiholh чӑвашла chuuk လိၵ်ႈတႆး саха patwa vèneta kalaallisut qʼeqchiʼ